|
|
|
|
地址: 南京浦口高新开发区高科二路七号
邮编: 210038
电话: 025—85352184
传真: 025—85352194
电子邮箱:suzylyp@163.com |
|
|
|
|
|
|
|
|
|
|
|
 |
首页>>
产品展示>> MWRC 带帽柱状负载电阻
|
|
产品说明 |
MWRC带帽柱状微波电阻器
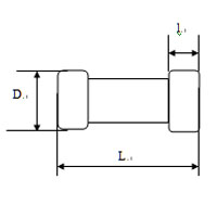
一.尺寸 (单位:mm)
 
|
型 号 |
尺 寸 |
D |
L |
l |
|
MWRC13 |
φ1.63×3.0 |
1.63 |
3.0±0.1 |
0.70±0.05 |
|
MWRC17 |
φ2.15×5.55 |
2.15 |
5.55±0.1 |
0.80±0.05 |
二.技术参数
|
型 号 |
阻 值(Ω) |
阻值偏差%9 |
功 率(W) |
工作频率(MHz) |
驻波比 |
|
MWRC13 |
50 |
±2 |
0.25 |
0~3000 |
1.15:1 |
|
MWRC17 |
50 |
±2 |
0.5 |
0~3000 |
1.15:1 |
注:1)功率、工作频率为参考值。
2)该产品符合ROHS要求。
|
|
|
|
|